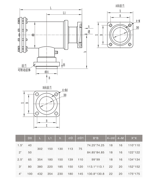
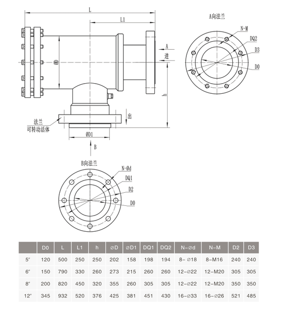
产品简介:
过滤器主要安装于螺杆式压缩机进气口端,连接关断阀与压缩机。滤除工作介质中杂质颗粒,有效提高工作介质的清洁度,纺织螺杆压缩机因污染颗粒而过早磨损或卡死,从而可减少故障,延长设备使用寿命。



电锅炉、换热机组、空气幕、风幕机、冷凝器、冷却塔、制冷剂、电机、温控器、传感器、变频器、消声器、燃油燃烧器、铜制散热器、壁挂式锅炉、新风换气机、温控阀、热量表、仪器仪表、离心风机、蒸发器、离心泵、风冷热泵机组、螺杆式压缩机、保温材料、加湿器、除湿机、管件、家用空调、专用空调、过滤器、电磁阀、风机盘管、户式中央空调、水处理设备等。


