高压板式过滤器_DFB高压板式过滤器_新乡市风暴娱乐滤器股份有限公司
新乡市风暴娱乐滤器股份有限公司
400-0089-277

主页 > 产品板块 > 油品净化板块 > 液压油过滤器 > DFB系列高压板式过滤器 >

DFB系列高压板式过滤器 产品简介 性能与特点 技术参数 链接尺寸 现场直击 客户案例

产品简介

DFB系列高压板式过滤器

DFB系列高压板式过滤器

该高压板式过滤器可直接安装系统的阀块上,用于逬一步清除或阻挡由于外界侵入或元件工作时磨损,所产生的杂质。特别适用自动控制系统和伺服系统。它可防止高精度的控制元件和执行元件由于污染而过早磨损或卡死,从而可减少故障,延长元件使用寿命。
该过滤器设有压差发讯器,当滤芯被污染堵塞到进出油口压差为0.5MPa时,即发出开关信号,此时应清洗或更换滤芯,此达到保证系统安装的目的。

应用范围 广泛应用于重型机械、矿山机械、冶金机械等液压系统。
过滤介质 液压油中水和乙二醇等
咨询电话 400-0089-277

性能与特点

该过滤器与传统过滤器相比具有安装结构紧凑,体积小的特点,且滤芯采用逬口玻璃纤维滤材,具有过滤精度高,通油能力强,原始压力小,纳污量大等优点。 过滤精度以绝对过滤精度标定,其过滤比β 3、5、10、20N200过滤效率n≥99.5%。 符合ISO标准。

技术参数

型号 通径
Dia.
(mm)
公称流量
Flow rate
(L/min)
过滤精度
Filtr.
(μm)
公称压力
(MPa)
压力损失
Iniaitl.△P
(MPa)
发讯器功率
(V/W)
滤芯型号 进出油口
0形圈
Initial Max.
DFB-H30 x *C 16 30 3
5
10
20
30
32 <=0.01 0.5 220V/50W LH0030D*BN3HC 24x2.4
DFB-H60 x *C 20 60 LH0060D*BN3HC 32x3.1
DFB-H110 x *C 110 LH0110D*BN3HC
DFB-H160 x *C 32 160 LH0160D*BN3HC 40x3.1
DFB-H240 x *C 240 LH0240D*BN3HC
DFB-H330 X *C 330 LH0330D*BN3HC
DFB-H500 X *C 500 LH0500D*BN3HC
DFB-H660 X *C 660 LH0660D*BN3HC

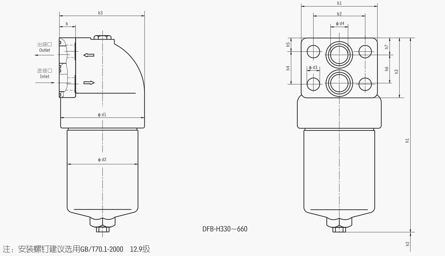
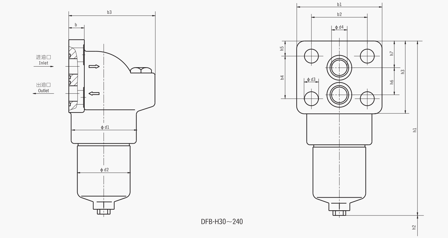
链接尺寸

DFB系列高压板式过滤器链接尺寸1 DFB系列高压板式过滤器链接尺寸2
型号
Model
尺 寸 Size (mm)
Φd1 Φd2 Φd3 Φd4 b b1 b2 b3 h1 h2 h3 h4 h5 h6 h7
DFB-H30x*C 67 54 12 16 18 80 57 94 210 75 76 45 15.5 28 30.5
DFB-H60x*C 92 73 18 20 20 110 72 115 240 75 94 55 19.5 35 34.5
DFB-H110x*C 92 73 18 20 20 110 72 115 309 75 94 55 19.5 35 34.5
DFB-H160x*C 124 102 22 32 30 140 95 153 293 85 110 60 25 52 31
DFB-H240x*C 124 102 22 32 30 140 95 153 351 85 110 60 25 52 31
DFB-H330x*C 170 146 22 32 30 140 95 172 372 115 110 58 26 52 32
DFB-H500x*C 170 146 22 32 30 140 95 172 454 115 110 58 26 52 32
DFB-H660x*C 170 146 22 32 30 140 95 172 528 115 110 58 26 52 32

现场直击

  • 产品实拍

  • 视频

  • DFB系列高压板式过滤器产品实拍1 DFB系列高压板式过滤器产品实拍2 DFB系列高压板式过滤器产品实拍3 DFB系列高压板式过滤器产品实拍4 DFB系列高压板式过滤器产品实拍5

客户案例

  • 双筒油过滤器案例
    双筒油过滤器案例

    用途:液压油过滤流量:1000t/h

  • 压力管路过滤器客户现场
    压力管路过滤器客户现场

    用途:液压油过滤流量:200t/h

  • 机械加工行业过滤现场
    机械加工行业过滤现场

    用途:油过滤流量:100t/h

定制服务流程

根据不同工况,提供定制服务

在线
咨询

客服热线400-0089-277

AI-icon