吸油过滤器_WU/XU吸油过滤器_新乡市风暴娱乐滤器股份有限公司
新乡市风暴娱乐滤器股份有限公司
400-0089-277

主页 > 产品板块 > 油品净化板块 > 液压油过滤器 > WU, XU系列吸油过滤器 >

WU, XU系列吸油过滤器 产品简介 技术参数 链接尺寸 现场直击 客户案例

产品简介

WU, XU系列吸油过滤器

WU, XU系列吸油过滤器

该过滤器属于粗过滤器,一般安装在油泵的吸油口处, 用以保护油泵避免吸入较大的机械杂质。该过滤器结构简单,通油能力大阻力小,并设有管式、法兰式连接,分网式、线隙式两种。

应用范围 广泛应用于重型机械、矿山机械、冶金机械等液压系统。
过滤介质 液压油中水和乙二醇等
咨询电话 400-0089-277

技术参数

型号 通径
Dia.
(mm)
公称流量
Flow rate
(L/min)
原始压力损失
Iniaitl.△P
(MPa)
过滤精度
Filtr.
(μm)
旁通阀开启压力
(MPa)
连接方式
Connecting
X/WU - 16 x * - J 12 16 <=0.01 80
100
180
0.02 管式
X/WU - 25 x * - J 15 25
X/WU - 40 x * - J 20 40
X/WU - 63 x * - J 25 63
X/WU - 100 x * - J 32 100
X/WU - 160 x * - J 40 160
X/WU - 225 x * G - J 50 225
X/WU - 250 x * F-J 50 250 法兰式
X/WU - 400 x * F - J 65 400
X/WU - 630 x * F - J 80 630
WU - 800 x * G - J 63 800 管式
WU - 1000 x * G - J 76 1000

链接尺寸

1、WU系列(网式)

WU系列连接尺寸
型号
Model
尺 寸 Size (mm)
H D M(d) d1
WU-16 x * - J 84 Φ35 M18 x 1.5
WU-25 x * - J 104 Φ43 M22 x 1.5
WU-40 x * - J 124 M27x2
WU-63 x * - J 103 Φ70 M33x2
WU-100 x * - J 153 M42x2
WU-160 x * - J 200 Φ82 M48x2
WU-225 x * G - J 165 Φ150 G2
WU-250 x * f - J 182 Φ88 Φ50 Φ74
WU-400 x * f - J 229 Φ105 Φ65 Φ93
WU-630 x * f - J 281 Φ118 Φ80 Φ104
WU-800 x * G - J 340 Φ150 G2 1/2
WU-1000 x * G - J 430 Φ150 G3

2、XU系列(线隙式)

XU系列连接方式
型号
Model
尺 寸 Size (mm)
H D M(d) d1
XU-6 x * - J 73 Φ56 M18X1.5
XU-10 x * - J 104
XU-16 x * - J 158
XU-25 x * - J 125 Φ75 M22X1.5
XU-40 x * - J 198 M27X2
XU-63 x * - J 186 Φ99 M33X2
XU-100 x * - J 288 M42X2
XU-160 x * - J 368 Φ118 M48X2
XU-250 x * F - J 422 Φ162 Φ50 Φ74
XU-400 x * F - J 491 Φ222 Φ65 Φ93
XU-636 x * f - J 659 Φ252 Φ80 Φ104

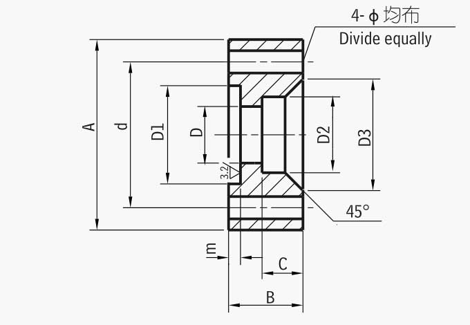
3、连接法兰,请用户参照下列尺寸加工

法兰连接
型号 尺 寸 (mm) 法兰用O形圈 法兰用螺钉
(4只)
A B C D D1+0.06 D2+0.2 D3 d E-0.1 4-Φ
WU - 250 x * F - J Φ86 15 9 Φ50 Φ60 Φ54 Φ60 Φ74 2.4 6.7 Φ60x3.1 M6x25
XU - 250 x * F - J
WU - 400 x * F - J Φ105 Φ65 Φ75 Φ70 Φ76 Φ93 Φ75x3.1
XU - 400 x * F - J
WU - 630 x * F - J Φ118 Φ80 Φ90 Φ85 Φ91 Φ104 Φ90x3.1
XU - 630 x * F - J

现场直击

  • 产品实拍

  • 视频

  • WU, XU系列吸油过滤器产品实拍图1 WU, XU系列吸油过滤器产品实拍图2 WU, XU系列吸油过滤器产品实拍图3 WU, XU系列吸油过滤器产品实拍图4 WU, XU系列吸油过滤器产品实拍图5

客户案例

  • 双筒油过滤器案例

    用途:液压油过滤流量:1000t/h

  • 压力管路过滤器客户现场

    用途:液压油过滤流量:200t/h

  • 机械加工行业过滤现场

    用途:油过滤流量:100t/h

定制服务流程

根据不同工况,提供定制服务

在线
咨询

客服热线400-0089-277

AI-icon